UTICOR-Automation

Sie benötigen robuste, zuverlässige Touch-PCs für den Einbau im Schaltschrank oder im Bedienpult? Geräte, die den harten Anforderungen des industriellen Einsatzes gewachsen sind und die Sie auch nach Jahren noch nachkaufen können? Mit Low-Power CPU oder als klassischer Monitor?

Da hätten wir vielleicht etwas für Sie:

Ausführung in Edelstahl In RAL 9006 (19"-Rack-Einbau)           In RAL 9005 (matt)

 

  • Robustes Edelstahlgehäuse mit 3mm starker Frontplatte, rundum abgedichtet
  • Zum frontseitigen Einbau, auf Wunsch auch mit Vesahalterung
  • Zusätzliche Varianten zur Montage im 19"-Rack
  • Schutzart IP 65 frontseitig
  • Solide Befestigung über angeschweißte Schraubbolzen
  • Diverse Display-Diagonalen bis 24"
  • In 4:3-, 16:9- oder 16:10-Format
  • Mit resistivem oder kapazitivem Touch
  • Ausführung als Panel-PC oder Monitor
  • Ausgestattet mit Low-Power CPU-Board, dadurch komplett lüfterlos
  • Pulverbeschichtung in Ihrer Wunsch-/Hausfarbe möglich
  • Ausführung als 'No Label-' oder Brand-Label-Version
  • Spannungsversorgung 12 VDC, 24VDC oder 90-230 VAC
  • Auf Wunsch mit KVM-Extender, Not-Aus-Schalter oder Ihrem ganz individuellen Zubehör

 

Auszug aus dem Produktprogramm 

 
 
1. Typ F - Festmontage mit Tastatur 
Panel-PC bzw. Touch-Monitor

Bildschirmgröße 10,4" TFT  ... 15,6" TFT  19" TFT ... bis 24" TFT Display
Format 4:3 ... 16:9 4:3 ... 16:10
Auflösung (Pixel) 1024 x 768 ... 1366 x 768 1280 x 1024 ... 1920 x 1200
Helligkeit 500 cd/m² ... 300 cd/m² 350 cd/m² ... 350 cd/m²
Kontrast 1200 : 1 ... 700 : 1 1000 : 1 ... 1000 : 1
Touch Screen Resistiver oder kapazitiver Touch Screen
Prozessorboard

Industrielles 3,5" Embedded CPU Board, Low Power

Prozessor-Type
(Low Power)

von Intel ATOM E3845 (Benchmark-Score 1466)
bis Intel i7 6600U (Benchmark-Score 4812)

Chip Set

von Intel Bay Trail (ATOM E3845)
bis Intel Skylake (6. i-Core Prozessorgeneration)

Erweiterungsslots

1 x Mini-PCI(e)-Slot

Arbeitsspeicher

von 4 GB bis 16 GB (1,35 V, Low Power)

Hard Disk/Flash Disk

>500 GB SATA Hard Disk 2,5" oder >120/256 GB Flash Disk (SSD)

Etherrnet Schnittst.

2 x Gbit Ethernet (RJ 45), mit Zustandsanzeige

Serielle Schnittstellen

bis zu 4 x RS232 bzw. RS232/422/485

USB Schnittstelle

bis zu 4 x USB 3.0 und 1 x USB 3.1

Betriebssystem

Windows 7/Windows 10 professional, 32/64 bit

Ausführung als Moni-
tor mit Tastatur

VGA- und DVI-Schnittstelle, USB/PS 2 Stecker für Tastatur und Maus,
USB Schnittstelle für Touch Screen

Ausführung mit KVM
Extender
KVM Extender mit CAT 5 Kabel, Übertragungsdistanz bis 150 M,
Empfänger im Gehäuse eingebaut, Sender zum Anschluß am PC
extern
Versorgung

90 - 230 VAC; 24 VDC; 12 VDC

Umgebungstemperatur

0 bis 50 °C

Lagertemperatur

-20 bis 60 °C

Schutzart

IP 65

Gewicht ca. 5 KG   ca. 5 KG ca. 9 KG   ... ca. 11 KG

 

Front

Abmessungen (z.B. 19"; 4:3-Format)

Frontplatte (3mm Edelstahl):
L1 = 476 mm
H1 = 410 mm

Gehäuse:
L2 = 438 mm
H2 = 362 mm
T = 85 mm (mit i7-Board: 140 mm)

 

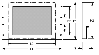
Front

Abmessungen (z.B. 19", 4:3, Rack-Einbau)

Frontplatte (3mm Edelstahl):
L1 = 482.6 mm
H1 = 399,2 mm
H3 = 323,8 mm; H4 = 120,6 mm

Gehäuse:
L2 = 438 mm
H2 = 362 mm
T = 85 mm (mit i7-Board: 140 mm)


 

Eigentlich benötigen Sie eine Ausführung im komplett geschlossenen Gehäuse? Dann schauen Sie sich doch einmal hier bei uns um:

>> Workstations <<

 

Sie haben nichts Passendes gefunden? Schildern Sie uns kurz Ihre Anforderungen und wir entwickeln eine Lösung für Sie! 

Customized Automation - Wie für Sie gemacht!

Nach oben

Wir nutzen Cookies auf unserer Website. Einige von ihnen sind essenziell für den Betrieb der Seite, während andere uns helfen, diese Website und die Nutzererfahrung zu verbessern (Tracking Cookies). Sie können selbst entscheiden, ob Sie die Cookies zulassen möchten. Bitte beachten Sie, dass bei einer Ablehnung womöglich nicht mehr alle Funktionalitäten der Seite zur Verfügung stehen.